DOI:http://dx.doi.org/10.22201/fq.18708404e.2021.1.75429

Habilidad modelar procesos dinámicos de control automático

Carlos Rafael Molina Hernández[a], Walfredo González Hernández[b] y Gil Cruz Lemus[c]

Resumen

En el artículo se presenta la sistematización de los fundamentos teóricos que permitieron caracterizar la variable de estudio la habilidad modelar procesos dinámicos de control automático en la carrera de Ingeniería Química en la Universidad de Matanzas. Posteriormente es realizado el diagnóstico de la variable y sobre la base de su estado se declara la estrategia didáctica y su repercusión en el proceso de enseñanza aprendizaje para desarrollar la habilidad en estudiantes de Ingeniería Química. Por último, se evalúa la aplicación práctica de la estrategia didáctica en la que se demostró su aplicabilidad y contribución a la práctica social, en tanto se logró una progresiva transformación en profesores y estudiantes, expresada en cambios cualitativos y cuantitativos.

Palabras clave:

Habilidad, modelar, modelar procesos dinámicos de control automático, estrategia didáctica, control.

Ability to model dynamic automatic control processes

Abstract

In the article the results are presented when applying the didactic strategy to develop the ability to model dynamic processes of automatic control in the Chemical Engineering career at the University of Matanzas. The analysis performed to characterize the study variable is presented. Reference is made to the initial diagnosis of the variable. It is explained in what the proposal of the didactic strategy consisted and its repercussion in the teaching-learning process to develop the ability in Chemical Engineering students. Finally, the practical application of the didactic strategy is evaluated, in which its applicability and contribution to social practice was demonstrated, while a progressive transformation was achieved in teachers and students, expressed in qualitative and quantitative changes.

Keywords:

Skill, modelling, modelling dynamic processes of automatic control, didactic strategy, control.




Introducción

La formación de los profesionales en el mundo actual demanda una exigencia esmerada para lograr un desempeño óptimo en su labor. Es por ello que la contradicción que hoy enfrentan las universidades es responder integralmente a los complejos retos que se traza la época actual. La automatización de los procesos industriales se inserta como una necesidad imperiosa para el desarrollo científico tecnológico y económico de las naciones. Teniendo en cuenta el modelo del profesional del ingeniero químico, se debe desarrollar modelos de procesos dinámicos para el control automático, de manera que garantice la pertinencia del egresado.

El control y la supervisión de las variables de procesos son operaciones cotidianas que realiza el tecnólogo en tiempo real para la explotación de la planta. Los ingenieros químicos laboran directamente en la explotación de la planta y con el uso de los lazos de control automáticos logran estabilizar las magnitudes de las variables de proceso porque las variables de procesos en los equipos varían por las múltiples perturbaciones internas o externas del sistema. Es por ello que el control automático permite que los procesos de la planta se encuentren en estado estacionario. La modelación matemática de los procesos dinámicos de control automático es una herramienta potente que le brinda al ingeniero químico la posibilidad, al aplicarlo, realizar la toma de decisiones, en su modo de actuación (Weitz, 2015).

A través de la aplicación de métodos empíricos se han detectado insuficiencias en el proceso de enseñanza aprendizaje, manifestado en los deficientes resultados académicos y laborales de los estudiantes. Las encuestas a los profesores, en su mayoría graduados de esta carrera en la propia universidad, revelan una situación similar y se evidencia una opinión casi unánime que el control automático no es necesario para los ingenieros químicos. Sin embargo, las encuestas realizadas a los empleadores evidencian la importancia que éstos le dan a la modelación de procesos de control automático en la formación de este profesional. Los elementos investigados permiten concluir que se necesita desarrollar la modelación de procesos dinámicos para el control automático. El artículo plantea la implementación de una estrategia didáctica que permita el desarrollo de la habilidad modelar de procesos dinámicos para el control automático

Marco teórico

La formación de los ingenieros químicos en Cuba transcurre en la carrera Ingeniería Química. El Plan de Estudio de esta carrera incluye la disciplina Fundamentos de Automatización (FA) conformada por tres asignaturas: Electrotecnia; Instrumentación Industrial y Control para Proceso. La asignatura de Control para Proceso se encuentra en el currículo de la formación de este profesional y su rol principal es servir de interfaz de comunicación entre el especialista en automatización y el ingeniero químico, para que este último comprenda cómo se logra el equilibrio que necesitan los procesos químicos. El control de procesos químicos le permite al estudiante “… estar capacitado para enfrentar problemas que puedan presentarse en esta esfera durante el desarrollo de su profesión” (Ministerio de Educación Superior, 2010b).

El perfil del profesional del ingeniero químico (Ministerio de Educación Superior, 2010a) en Cuba se declara en su plan de estudios y plantea que “… consiste en producir productos químicos y bioquímicos con la calidad requerida, al costo más bajo posible, con la máxima seguridad y el mínimo deterioro ecológico”. Otro de los elementos que caracterizan al ingeniero químico es su modelo profesional que declara como uno de sus objetivos para el cuarto año “Aplicar, a un nivel productivo, las leyes y principios de la instrumentación y automatización de procesos al campo de la ingeniería química, a partir de la selección adecuada de los instrumentos de medición y control requeridos en un proceso” (Ministerio de Educación Superior, 2010a). Sin embargo, el diseño de los sistemas de control automáticos regularmente se realiza en el proceso de inversión, y los programas adolecen de la formación de profesionales que les permita la explotación, reparación y el mantenimiento de la tecnología.

En este sentido, el estudio y valoración de los sistemas para la simulación en la ingeniería química se sustentan sobre la base de modelos en estado estacionario y modelos dinámicos (Scenna, 1999). Este autor considera que es el control automático quien logra el estado estacionario necesario para la estabilidad de la planta química. Es por ello que se interpreta en este artículo a la modelación de procesos dinámicos de control como la representación del modelo que describe el comportamiento del sistema en función del tiempo, aplicando a las leyes físicas o química del sistema.

En la bibliografía revisada Cegelski et al. (2019) y Kawamura y Alleyne (2017) se encuentran aplicaciones de la modelación de procesos dinámicos para la simulación de procesos químicos. Se coincide con el criterio de (Dotoli et al., 2017) al interpretar a la simulación de procesos dinámicos como una parte del análisis y diseño de sistemas de control de proceso, a lo que se dedicará un breve análisis para explicar su funcionamiento. El lazo de control detecta las variaciones de las magnitudes de las variables de proceso para corregir sus desviaciones y mantener la magnitud de las variables de salida en un valor constante (Kuphaldt, 2019).

La operación del sistema de control responde a condiciones de operación del proceso químico. Está dentro del perfil profesional del ingeniero químico orientar las “condiciones de operación” del sistema a los profesionales de otros perfiles (Ministerio de Educación Superior, 2010a). Entre las condiciones de operación que se le facilita al ingeniero en automática se encuentran el método de control y los parámetros del controlador que integra el lazo de control. Para proporcionar estas condiciones de operación se necesita del conocimiento acerca de los puntos de control que debe proporcionar el especialista en procesos químicos. La interpretación de los resultados de la modelación de procesos dinámicos de control automático le facilita al tecnólogo la toma de decisiones ante las posibles eventualidades del proceso, incidiendo en su modo de actuación. Por todo lo expuesto hasta el momento se considera que la industria demanda la formación de ingenieros químicos en temas relacionados con el control de procesos automáticos. Esa necesidad social hace que la universidad deba cumplir su objeto social y potenciar temas más actuales en el currículo del ingeniero químico. Al mismo tiempo, estos últimos análisis hacen que se considere la modelación de procesos dinámicos de control automático, desde la química y la formación del ingeniero químico, como una habilidad. Sin embargo, es necesario exponer la fundamentación teórica de la habilidad modelar procesos dinámicos de control automático desde la perspectiva psicológica y didáctica.

La formación y desarrollo de las habilidades se logran en el marco de la actividad humana y es preciso penetrar en su esencia para profundizar el conocimiento de ellas, cuestión ésta a la cual se dedicó el primer espacio de este artículo: la modelación de procesos dinámicos de control automático. La interacción del hombre con el mundo que lo rodea se realiza de dos formas: la interacción sujeto-objeto, conocida por la psicología como actividad y la interacción sujeto-sujeto conocida como comunicación. Las bases teórico-metodológicas psicológicas y didácticas se sostienen desde el enfoque Histórico-Cultural y colaboradores.

La modelación de procesos dinámicos de control automático posee herramientas y símbolos propios de la teoría del control de proceso y que se enriquecen durante la práctica profesional (Álvarez, 2015). El modelado de las leyes que describen los procesos de la industria química permite representar los procesos dinámicos de control automático a partir de “... la mediación semiótica que el profesor debe gestionar para enraizar significados [y signos] que estén en consonancia con la cultura ... [del “Control del proceso”] a la que se espera acercar a los estudiantes” (Camargo, 2018). La interacción social y el uso de los mediadores que guían al estudiante permiten su apropiación por el estudiante que se forma como Ingeniero Químico.

La actividad es definida por Leontiev (1982) como “… el proceso de interacción sujeto-objeto, dirigido a la satisfacción de las necesidades del sujeto, como resultado del cual se produce una transformación del objeto y del propio sujeto”. Atendiendo al énfasis que realiza el autor en la interacción sujeto-objeto, revela que la misma está mediada por la actividad histórico-social y se evidencia cuando plantea que “... la actividad práctico-material constituye una relación en la que lo ideal se materializa. La actividad cognoscitiva representa, por su parte, un proceso de desobjetivación y de tránsito de lo material en una idea”. Por otra parte, Leontiev (1982) al explicar su estructura escribe que “… la actividad está formada por acciones y estas últimas a su vez por diferentes operaciones en cuyo dominio radica el éxito de la realización de cualquier actividad”.

El estudio de la acción fue enriquecido por Galperin y Talízina entre mediados de los 70 y principios de los 80 del siglo anterior. Por su parte, Galperin (1986) reveló que la actividad externa atraviesa por un proceso de transformación hasta convertirse en actividad interna en la que se producen cambios cualitativos en el individuo. Esta conclusión explica como la acción realizada por los estudiantes pasa por transformaciones en etapas: la orientación, la ejecución y el control.

En la etapa de orientación se les presenta a los estudiantes las invariantes funcionales que les permiten modelar procesos dinámicos de control automático contextualizado al proceso químico e interpretar los resultados. Como parte de este proceso es necesario representar matemáticamente el sistema y describir el análisis de su comportamiento. En la etapa de ejecución se realizan las acciones descritas con anterioridad en las invariantes funcionales operando con los signos y símbolos, a partir de su semántica, que les permita modelar procesos dinámicos de control automáticos simples para llegar a otros más complejos, cumpliendo con los objetivos previstos para el programa de la asignatura. La etapa de control es transversal a las otras dos etapas pues permite la retroalimentación sobre la validez de las acciones en cada una de las etapas anteriores. En ellas los estudiantes obtienen los parámetros de diseño que caracterizan al controlador y la interpretación de la función transferencial para obtener los parámetros del funcionamiento y puesta a punto del lazo de control, lo que permite al sistema de control contrarrestar las perturbaciones del sistema. Posteriormente los estudiantes contrastan los parámetros obtenidos con las teorías referentes al control automático y a la industria química (Adan, 2020). Debe considerarse en esta etapa la evaluación externa que ejecutará el profesor y la autoevaluación que debe ejecutar el sujeto durante todo el proceso de formación y desarrollo de la habilidad (Erdogan, 2019).

Se coincide con los criterios de Rubinstein (1963) y Brito (1990) al plantear que la habilidad es “... aquella formación psicológica y ejecutora particular constituida por acciones dominadas que garantizan su ejecución bajo control consciente”. Al respecto las habilidades

... tienen que ver con el nivel de dominio de ejecución del sujeto, el cual implica el grado de sistematización de la ejecución. De este modo se concibe la habilidad como el dominio de la acción en función del grado de la sistematización alcanzado por el sistema de operaciones correspondientes. (Brito, 1990 citado por Corona y Fonseca, 2009)

En esta investigación se asumen los criterios de varios autores (Corona y Fonseca, 2009; Montes y Machado, 2009; Sixto, 2014) quienes argumentan que se deben aplicar un conjunto de requisitos para lograr el dominio de la habilidad: Frecuencia con que se le presenta a los estudiantes la modelación de proceso dinámicos de control automático en dependencia del contenido de la asignatura; Periodicidad, determinada por la distribución temporal de las ejecuciones de la acción; Flexibilidad, ajustado a los procesos de la industria química; Complejidad, relacionado con el grado de dificultad de los conocimientos del proceso químico, de control automático y gradación, orden en que se ejecutan de las acciones para modelar.

En la sistematización de la habilidad realizada por diferentes autores, se han identificado las dimensiones, indicadores e instrumentos que la describen. En este artículo se asumen los criterios de Molina et al. (2020) al caracterizar a la habilidad en sus tres componentes: los conocimientos como componentes cognitivos, las acciones y operaciones como componentes ejecutores y los motivos u objetivos como componentes inductores.

Una vez determinados los fundamentos teóricos es necesario definir la

… habilidad modelar sistemas dinámicos como la ejecución de un sistema de acciones y operaciones a partir del conocimiento de las teorías de sistemas dinámicos y la motivación que tiene para ello cuyo resultado es un modelo dinámico, que en el caso del ingeniero químico es válido agregar que este modelo responde a procesos químicos que se ejecutan en la industria. (Molina, González, y Cruz, 2019 citado por Molina et al., 2020).

La operacionalización de la variable en sus dimensiones e indicadores se explicitan a continuación por la importancia que tienen para este artículo (Molina et al., 2020)

Cognoscitiva: Esta dimensión caracteriza el nivel de dominio de los conocimientos que debe apropiarse el estudiante para lograr modelar los procesos dinámicos de control automático.

1. Aplican las leyes que describen los fenómenos propios de la profesión, que se utilizan para modelar procesos dinámicos de control automático de la industria química.

2. Interpretan los procesos de la realidad en consonancia con la teoría del proceso de control para el modelado de los procesos dinámicos de control de la industria química.

3. Describen modelos matemáticos que les permitan modelar procesos dinámicos de control automático de la industria química.

4. Describen la representación del sistema de signos mediadores para la construcción del modelo de la industria química.

Ejecutora: Esta dimensión caracteriza el dominio de las acciones y operaciones que debe ejecutar el estudiante para elaborar y resolver el modelado de los procesos dinámicos de control automático.

1. Seleccionan el método o la forma de control para el contexto particular de la industria química.

2. Determinan las variables y parámetros que describen acertadamente el funcionamiento del proceso dinámico de control automático de la industria química.

3. Aplican modelos matemáticos que les permiten modelar los procesos dinámicos de control automático de la industria química

4. Elaboran la representación del modelo de procesos dinámicos de control automático de la industria química.

5. Evalúan la viabilidad de las representaciones logradas de los procesos dinámicos de control de la industria química.

Motivacional: Esta dimensión caracteriza parte del sistema regulador inductor, expresado en la motivación del estudiante para obtener un resultado lógico basado en el modelado de los procesos dinámicos de control automático.

1. Posee vivencias afectivas positivas relacionadas con el proceso dinámico de control automático durante el aprendizaje de sus conocimientos y acciones.

2. Posee proyecciones futuras relacionadas con el proceso dinámico de control automático y sus modos de actuación como profesional de esta ciencia.

3. Estructura proyectos de vida relacionados con el proceso dinámico de control automático en el futuro.

4. Identifica los obstáculos para el desarrollo de los elementos de su personalidad necesarios para el proceso dinámico de control automático.

5. Traza estrategias de aprendizaje necesarias para aprender las formas de trabajo y pensamiento del proceso dinámico de control automático.

6. Regula su actuación sobre la base de sus aspiraciones como futuro profesional químico en lo relacionado con los procesos dinámicos de control automático.

Para el desarrollo de la habilidad definida, la estrategia didáctica que se estructura en varias etapas como se declara a continuación:

1. Una etapa diagnóstica en la que se proponen ocho acciones. El objetivo fundamental de esta etapa es determinar los procesos de diagnóstico fundamentales que permitan a quienes utilicen la estrategia diagnosticar las condiciones iniciales en que se encuentra el desarrollo de la habilidad objeto de estudio. El diagnóstico es la primera etapa a implementarse en la estrategia didáctica pues permite obtener la información necesaria para caracterizar el estado de la variable a través de la aplicación de variadas vías como son las entrevistas, encuestas, pruebas pedagógicas, entre otras.

2. La etapa de planificación se proponen nueve acciones y su objetivo es planificar el sistema de acciones para alcanzar el desarrollo de la habilidad modelar procesos dinámicos de control automático en la carrera de Ingeniería Química. Este sistema de acciones que serán planificadas se establece teniendo en cuenta los resultados del diagnóstico. En esta etapa se planifican las acciones que permitan transformar la problemática detectada en la etapa de diagnóstico hacia el estado deseado. Se debe tener plena claridad de los objetivos que se tracen para alcanzar las metas propuestas en un período de tiempo prefijado, los recursos que poseen, los medios y los métodos. En la etapa se esclarece bajo qué condiciones se aplicará, durante qué tiempo, participantes y responsables. Entre las acciones fundamentales están talleres metodológicos a profesores, encuentros sobre automatización con estudiantes y profesores, planeación de actividades que se organizan de menor a mayor nivel de complejidad, así como el sistema de evaluación a utilizar.

3. La etapa de ejecución se proponen doce acciones y su objetivo es desarrollar las actividades planificadas, dirigidas a contribuir al desarrollo de la habilidad en estudio para transformarla hacia el estado deseado. En la etapa de ejecución se materializan las acciones planificadas para dar cumplimiento a los objetivos propuestos que permitan transformar las deficiencias detectadas y lograr el estado deseado en el desarrollo a de la habilidad modelar procesos dinámicos de control automático. Esta etapa tiene la flexibilidad de modificar lo planificado sí los efectos de las acciones ejecutas no se corresponden con los resultados esperados de la transformación. Entre las acciones a ejecutar están los encuentros con profesionales químicos de la producción que les permita comprender la importancia de la habilidad, actividades prácticas integradoras en las empresas acompañados de los profesionales que laboran allí y actividades de evaluación que incluyan la auto y coevaluación.

4. La etapa de evaluación destaca seis aspectos considerados para evaluar la efectividad de las acciones ejecutadas en la estrategia didáctica que contribuya al desarrollo de la habilidad modelar procesos dinámicos de control automático. La evaluación debe ser sistemática y con un enfoque integral para la constatación de la efectividad de las acciones ejecutadas a partir del estado real y en función del objetivo trazado (posee transversalidad durante todas las etapas de la estrategia). Se realizan tormentas de ideas sobre las acciones y su mejoramiento, así como las acciones futuras y la aplicación de la técnica de Iadov que permite conocer la satisfacción de los profesores con la estrategia.

Metodología

La estrategia didáctica se aplicó a los estudiantes que cursan el segundo semestre del cuarto año de la carrera Ingeniería Química de la Universidad de Matanzas durante el curso 2018-2019, con una población de 28 estudiantes que fue tomada íntegramente para la validación. Integran la población 10 profesores de del colectivo de año que les impartieron clases a los estudiantes en el período señalado. Se utilizaron varios métodos que se describen a continuación:

La estrategia se aplicó durante cuatro meses ejecutando un corte por mes y se emplearon los métodos descritos. Estos cortes se utilizaron como mecanismo de realimentación para modificar aquellas acciones planificadas que no proporcionaron el efecto transformador deseado. La operacionalización de la habilidad modelar procesos dinámicos de control automático en sus dimensiones e indicadores permite evaluar la efectividad de la estrategia didáctica. A continuación, se describe la escala valorativa utilizada tipo Likert con cinco niveles basada en el sistema evaluativo cubano y su implementación que logra minimizar la subjetividad de las respuestas.

La evaluación de Excelente (5) se manifiesta cuando los estudiantes poseen resultados satisfactorios en más del 75% (Bienkowski et al., 2012). Cuando los resultados son satisfactorios entre el 50 % y 74,9 % el indicador es evaluado de Bien (4) Para las circunstancias donde se presentan resultados satisfactorios entre el 35 % y 49,9 % de los estudiantes (Patiño et al., 2017); el indicador es de Regular (3). Cuando se presentan resultados satisfactorios entre el 25 % y el 34,9 % de los estudiantes el indicador es Mal (2). Muy Mal (1) cuando los resultados satisfactorios son menores del 25% de los estudiantes.

Resultados y Discusión

Un primer paso en la introducción de la estrategia es la evaluación de su validez a través de un criterio de expertos utilizando el método Delphi. Los resultados obtenidos retroalimentan a los investigadores para introducir modificaciones en la estrategia didáctica para poner en práctica el desarrollo de la habilidad modelar procesos dinámicos de control automático en la carrera de Ingeniería Química. Para aplicarlo se seleccionaron 16 expertos cuyos coeficientes de competencia se encuentran en el rango 0.8 ≤ K ≤ 1. El uso del coeficiente de concordancia de Kendall (W) permite obtener el grado de concordancia entre los expertos que evaluaron la estrategia didáctica propuesta. El cálculo del coeficiente de concordancia de Kendall fue de W=0.9 lo que permite afirmar que hay coincidencia en la votación de los expertos. y los criterios emitidos por los expertos permitieron la transformación del 30% de las acciones.

Después de lograr la primera validación positiva de la estrategia didáctica se llevó a la práctica docente. Mientras se aplicaba la estrategia, se lograban resultados parciales que se sometían al análisis del colectivo de la asignatura y de año para valorar la introducción de posibles acciones que se consideraran necesarias. De esta manera se aprovecharon las fortalezas metodológicas logradas que permitió perfeccionar la estrategia didáctica durante la implementación práctica.

En el primer corte sólo un 21.43 % de estudiantes son evaluados satisfactoriamente en los instrumentos aplicados, por lo que las dimensiones cognoscitiva y ejecutora reciben una calificación de muy mal y mal la motivacional, predominando la evaluación de muy mal. Un 28.4 % de estudiantes se sienten motivados por la modelación de procesos de control automático debido fundamentalmente a la motivación que poseen los estudiantes por la carrera, aunque no incluyen los contenidos de automatización en los modos de actuación de un ingeniero químico. El resultado señala, al desarrollo de la habilidad modelar procesos dinámicos de control automático con una evaluación de muy mal, aunque reconoce la motivación por la carrera como una potencialidad a tener en cuenta en la ejecución de las demás acciones de la estrategia didáctica.

El segundo corte presenta indicadores evaluados de mal y regular pues un 32.14 % de estudiantes son valorados satisfactoriamente en los instrumentos aplicados para la dimensión cognoscitiva y ejecutora. Se incrementa la cantidad de estudiantes con evaluaciones entre cuatro y cinco, pero más de tres indicadores para las diferentes dimensiones son evaluados de mal. Un 34 % de los estudiantes presentan indicadores favorables de motivación por la modelación de procesos dinámicos de control automático y se aprecia la inclusión de estos contenidos en los modos de actuación del profesional. A partir de estos resultados en este corte, la habilidad obtiene una evaluación de mal.

En el tercer corte se observa un aumento significativo de la cantidad de estudiantes con notas entre cuatro y cinco. La mayoría los indicadores, en este corte, poseen una evaluación de bien o superior. El desarrollo de la habilidad modelar procesos dinámicos de control automático obtiene una evaluación de bien, el 64.29 % de los estudiantes se evaluaron satisfactoriamente. Se obtienen los resultados por los encuentros con los profesionales de la producción y las prácticas integradoras en las empresas que les permite a los estudiantes apreciar la necesidad de la automatización. A partir de la incorporación de los contenidos de la automatización en los modos de actuación del profesional, los estudiantes fueron dominando éstos con mayor facilidad y ejecutando las acciones y operaciones con menor cantidad de errores.

El último corte evaluativo muestra un incremento significativo, en el cual se alcanza una evaluación de excelente de todos los indicadores de las dimensiones. El desarrollo de la habilidad modelar procesos dinámicos de control automático obtiene para este corte una evaluación de excelente. El 92.86 % de los estudiantes se evaluaron de bien y excelente.

La figura 1 muestra los resultados de la evaluación de los indicadores para las dimensiones de la variable de estudio.

Figura 1. Evaluación de las dimensiones e indicadores de la habilidad modelar procesos dinámicos de control automático.

Este resultado es consecuencia de las acciones realizadas durante aplicación de la estrategia didáctica que permitió elevar la motivación de los estudiantes por la asignatura y por la carrera como primera acción de los profesores. Una vez motivados los estudiantes, se trabajó el dominio del sistema de acciones y operaciones que les permiten modelar procesos dinámicos de control automático, para lograrlo se utilizaron catorce ejercicios en clases prácticas y veintinueve de estudio independiente repartidos en los dos temas. En el proceso de dominar las acciones y operaciones de la habilidad se establecieron las acciones de retroalimentación necesarias para que cada uno corrigieran los errores detectados. En la tabla 1 se muestra un ejercicio típico con acciones y operaciones que deben ejecutar los estudiantes y los errores frecuentes cometidos.

Tabla 1. Ejercicio típico con acciones y operaciones a ejecutar y errores frecuentes.

Ejercicio

Acciones a ejecutar

Errores frecuentes

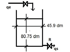
El sistema hidráulico mostrado en la figura 2 posee autorregulación parcial. Su caudal de entrada es de 7,5 l/min para un flujo turbulento. Pasada una hora se incrementa el flujo de entrada en 0,75 l/minuto. La válvula de salida posee una abertura constante. Exprese gráficamente el nivel del fluido cuando el tiempo tiende al infinito.

Figura 2. Sistema hidráulico de autorregulación parcial

Plantear la ecuación diferencial del sistema en la que se relacionan las señales de entrada y de salida.
Linealizar ecuaciones de ser necesario.
Aplicar la trasformada de Laplace a la ecuación diferencial, suponiendo todas las condicione iniciales iguales a cero
Obtener la función trasferencial del sistema y relacionar las señales de salida Y(s) con respecto a la entrada X (s).
Aplicar la Antitrasformada de Laplace para obtener la función en el tiempo.
Construir el gráfico de la altura contra tiempo.
Interpretar el proceso dinámico de la variable.

Excluyen algún término en el balance de masa.
Aplicación incorrecta del teorema de Taylor.
Aplicación incorrecta en la transformada de Laplace y/o antitrasformada de Laplace.
Identificación incorrecta de la señal de entrada o de salida.
Construcción incorrecta del gráfico de altura contra tiempo.
Interpretación deficiente del resultado del proceso dinámico.

Utilización incorrecta del sistema internacional de unidades.

La utilización de software para modelar procesos dinámicos de control automático en las clases prácticas de laboratorio y la orientación del estudio independiente, le permitan al estudiante verificar el resultado de la modelación realizada e interpretar los resultados obtenidos (López et al., 2016). Los errores cometidos estuvieron mayormente en el uso de la simbología y la colocación de los instrumentos de control en el modelo. Los estudiantes lograron adquirir el dominio del conocimiento de la teoría del Control para Proceso y establecen estrategias para corregir los errores detectados.

Los resultados anteriores denotan que los estudiantes poseen un alto conocimiento de su carrera en correspondencia con el año académico en que se encuentran. Se diversifican los contextos y alternativas que se muestran en las soluciones prácticas a partir de la introducción de la modelación de procesos dinámicos de control automático en la industria química. Teniendo en cuenta la estrategia aplicada se rediseña la asignatura con un enfoque perfilado hacia la ingeniería de proceso y el control de las variables de los procesos químicos para estimular al estudiante para que conciba a la asignatura desde esta óptica. Ello posibilita que el estudiante perciba a la modelación de procesos como una necesidad del proceso químico para el diseño, ampliación, modernización y explotación de la planta durante el tiempo de vida de la instalación. Esta representación que realiza el estudiante a partir de las situaciones que se les presenta logra que ubiquen el control automático como parte de los modos de actuación del ingeniero químico, cuestión esta necesaria en la formación de estos profesionales.

Las clases prácticas en la fábrica le permitan confrontar la teoría con el futuro contexto de actuación profesional. Se incluye una guía para el tiempo dedicado a la fábrica que le permita al estudiante en su informe concatenar los objetivos y habilidades a lograr en el año académico. Durante el desarrollo de la enseñanza de la habilidad el profesor propició la autoevaluación, coevaluación y heteroevaluación, así como, actividades que promuevan el desarrollo científico-técnico e investigativo.

Conclusiones

La sistematización de los fundamentos psicológicos, didácticos y de automatización permitieron asumir la definición de habilidad modelar procesos dinámicos de control automático y sus dimensiones cognoscitiva, ejecutora y motivacional.

Se diseña una estrategia didáctica compuesta por acciones agrupadas en 4 etapas diferenciadas y cada una con sus objetivos propios, encaminados al desarrollo de la habilidad modelar procesos dinámicos de control automático.

La aplicación del método Delphi determina un primer indicio de validez de la estrategia didáctica propuesta que permite su introducción en la práctica donde se obtienen resultados que permiten aseverar la transformación en el estado de la variable.

Conflicto de intereses

Los autores declaran no tener ningún conflicto de intereses.

Referencias bibliográficas

Adan, E. (2020). Instrumentación y control de procesos (3era. ed.). Universidad Nacional del Litoral. Fecha de acceso 28 de julio de 2020, Disponible en: https://bibliotecavirtual.unl.edu.ar:8443

Álvarez, C. (2015). Teoría frente a práctica educativa: algunos problemas y propuestas de solución. Perfiles Educativos, 37 (148), 172-190. Fecha de consulta: 12 de abril de 2020, Disponible en: http://www.redalyc.org/articulo.oa?id=13236858011

Bienkowski, M., Feng, M. y Means, B. (2012). Enhancing teaching and learning through educational data mining and learning analytics. E.U.: Center for Technology in Learning.

Brito, H. (1990). Capacidades, habilidades y hábitos. Una alternativa teórica, metodológica y práctica. Ciudad de La Habana, Cuba: Instituto Superior Pedagógico “Enrique José Varona”.

Camargo, L. (2018). Oportunidades para aprender matemáticas a partir de la mediación instrumental y semiótica. Revista Colombiana de Matemática Educativa, 3(1), 3-9. Fecha de consulta: 23 de marzo de 2020, Disponible en: http://ojs.asocolme.org/index.php/RECME/article/download/267/293

Cegelski, C., Katogui, S., Stoisa, H., Corrado, L. y Nuñes, M. (2019). Sistemas de control: La automatización como el motor del desarrollo. Argentina: Editorial Universitaria Universidad Nacional de Misiones.

Corona, L. y Fonseca, M. (2009). Aspectos didácticos acerca de las habilidades como contenido de aprendizaje. Revista Electrónica de las Ciencias Médicas en Cienfuegos, 7(3), 38-43. Fecha de consulta: 3 de mayo de 2020, Disponible en: http://www.medisur.sld.cu

Dotoli, M., Fay, A., Miśkowicz, M. y Seatzu, C. (2017). Advanced control in factory automation: a survey. International Journal of Production Research, 55 (5), 1243-1259. Fecha de consulta: 13 de junio 2019, Disponible en: https://www.researchgate.net/publication/301353607_Advanced_control_in_factory_automation_a_survey

Erdogan, F. (2019). Effect of cooperative learning supported by reflective thinking activities on students’ critical thinking skills. Eurasian Journal of Educational Research, 80, 89-112. Fecha de consulta: 26 de abril de 2020, Disponible en: https://eric.ed.gov/?id=EJ1211625

Galperin, P. (1986). Sobre método y formación por etapas de las acciones intelectuales. Antología de las edades. La Habana, Cuba: ENPES.

Kawamura, M. y Alleyne, A. (2017). A simulation and experimental environment for teaching chemical reaction process dynamics and control. International Federation of automatic Control, 50(1), 15692–15697. Fecha de consulta: 23 de marzo de 2020, Disponible en: www.sciencedirect.com

Kuphaldt, T. (2019). Lessons in industrial instrumentation. Recuperado 4 de abril 2020, Disponible en: https://www.ibiblio.org/kuphaldt/socratic/sinst/book/liii.pdf

Leontiev, A. (1982). Actividad, consciencia, personalidad. La Habana, Cuba: Pueblo y Educación.

López , M., Cardona, S., Lora, J. y Abad, A. (2016). MATLAB as a tool as analysis and problem solving competency development in Chemical Engineering degree using MATLAB. Multidisciplinary Journal for Education, 3(2), 15-29. Fecha de consulta: 27 de junio de 2020, Disponible en: https://polipapers..upv.es/index.php/MUSE/article/view/4623

Ministerio de Educación Superior. (2010a). Documento central del plan de estudios D. Carrera Ingeniería química, curso regular diurno o presencial. La Habana: Ministerio de Educación Superior.

--------. (2010b). Programa de la disciplina: Fundamentos de automatización. Plan D. Curso presencial. Ingenieria química. La Habana: Ministerio de Educación Superior.

Molina, C., González, W. y Gil, L. (2020). Estado actual de la habilidad modelar procesos dinámicos de control automático. Revista Conrado, 16(73), 400-409. Fecha de consulta: 23 abril 2020, Disponible en: https://conrado.ucf.edu.cu/index.php/conrado/article/view/1320

Montes, N. y Machado, E. (2009). La formación y desarrollo de habilidades en el proceso docente-educativo. Recuperado 17 de noviembre de 2019, Disponible en: http://www.monografías.com/trabajos15/habilidades_docentes/habilidades_docentes.shtml/

Patiño, C., Monsalve, L. y Holguín, E. (2017). Transformación de subjetividades políticas juveniles, a través de un proceso formativo. El Ágora USB, 17(1), 75-94. Fecha de consulta: 29 noviembre 2019, Disponible en: https://revistas.usb.edu.co/index.php/Agora/article/view/2812

Rubinstein, S. (1963). El ser y la conciencia (A. Vidal, Trans.). México: Grijaldo, S.A.

Scenna, N. (1999). Modelado, simulación y optimización de procesos químicos. Buenos Aires, Argentina: Universidad Tecnológica Nacional.

Weitz, D. (2015). Estrategia didáctica para la comprensión de los objetivos básicos del análisis y diseño de sistemas de control. Revista Argentina de Enseñanza de la Ingeniería, 4(8), 41-50. Fecha de consulta: 23 abril de 2020, Disponible en: https://docplayer.es/89896363-Estrategia-didactica-para-la-comprension-de-los-objetivos-basicos-del-analisis-y-diseno-de-sistemas-de-control.html




Recepción: 2020-03-29. Aceptación: 2020-09-14


[a] Universidad de Matanzas, Cuba. ORCID: http://orcid.org/0000-0002-5216-1338

[b] Universidad de Matanzas, Cuba. ORCID: http://orcid.org/0000-0001-8974-3721

[c] Universidad Tecnológica de La Habana “José Antonio Echeverría”. Cuba. Correo: gil@tesla.cujae.edu.cu. ORCID: http://orcid.org/0000-0002-2792-0865.